Ventilblokk Ventilblokk Ventilblokk Ventilblokk

Ventilblokk m/magnetventiler x8

-40 24VDC

Varenr: CAMP20804P53
BeskrivelseTilbehørTeknisk Informasjon
Beskrivelse

Ferdig montert ventilblokk med 8 stk magnetventiler.

Ventil

Spenning 24 VDC ± 10 %

Trykkområde 0-10 bar

Laget for å operere i temperaturer innil -40 °C

Funksjon: Normalt lukket (NC)

Material ventilhus : PBT Technopolymer

Material indre deler: Rustfritt stål

IP-grad 65

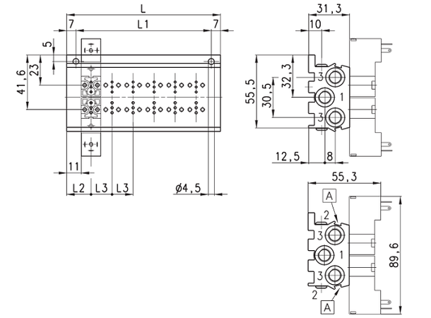
Ventilblokk

Plass til inntil 8 ventiler ( Se tilbehør for plugging)

Utganger på begge sider

Material: Aluminium

Tilbehør
Teknisk Informasjon