2003234
/search
EgilEng_D4
Oppdaterer, vennligst vent...
Produkter
Totalt antall treff:
Se hele resultatet...
Kategorier
Merker
Merkenavn
Artikler
Antall artikler funnet:
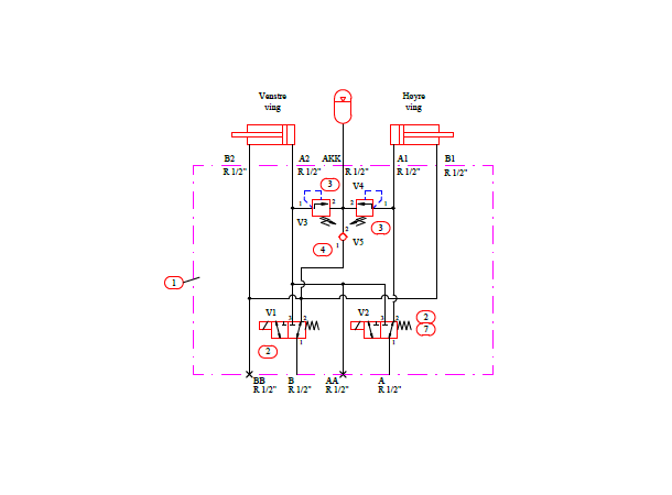
Ventilblokk V-plog komplett 24VDC
sjokkventiler - justert 170bar
Tilbehør
Alternativer
Artikler
Antall artikler funnet:
Kundesenter
Logg inn
Ingen varer i handlevognen
Ingen varer i ordreboka
produkt
produkter
(
)
(
)
(
)
Til kassen
×
Aktiv leveringsdato
Leveringsdatoer
Handlevogn
varer i handlevognen
Klikk her for å se alle
Handlevognen er tom.
Søk
Ventilblokk V-plog komplett 24VDC
sjokkventiler - justert 170bar
Varenr:
EE140400224V
Be om tilbud
Du blir nå videresendt til Vipps for betaling...
Teknisk Informasjon
Gå til kjøp
Be om tilbud
Teknisk Informasjon
E1404002L.pdf
E2308002 - Ventilsystem V-Plog.pdf
Copyright © 2026 Egil Eng - All rights reserved
Forretningssystem
og
nettbutikkløsning
levert av
Multicase™ Norge AS
Logg inn
Kundesenter
Tilbake